Carro rodante 70 para puerta suspendida 2 ruedas de acero y 1 de plástico - base estrecha
producto no disponible
añadir a la lista de deseos
Descripción
Carro de rodadura 70 para puerta suspendida – 2 rodillos de acero + 1 de plástico
El carro de rodadura 70 es un elemento robusto y de precisión para sistemas de puertas correderas suspendidas, diseñado para trabajar con raíles de perfil 70×70 mm. Equipado con dos rodillos de acero y un rodillo de plástico, garantiza un deslizamiento suave y silencioso de la puerta suspendida, sin fricción ni resistencia excesivas. La base de montaje estrecha facilita la instalación incluso en espacios reducidos.

Construcción y materiales
El cuerpo del carro está fabricado en acero con recubrimiento de zinc, que protege eficazmente contra la corrosión. Gracias a ello, el carro es apto tanto para uso en interiores como en exteriores, en condiciones de exposición a la humedad y a variaciones climáticas. Los rodillos están montados sobre rodamientos de bolas, lo que se traduce en un funcionamiento duradero y sin averías, con una resistencia mínima al rodamiento.
La combinación de dos rodillos de acero (de carga) con un rodillo de plástico (de guía) minimiza el ruido durante el funcionamiento del mecanismo y reduce la fricción, aumentando el confort de uso de la puerta. Esta solución resulta especialmente eficaz en locales comerciales y naves industriales donde el funcionamiento silencioso es importante.

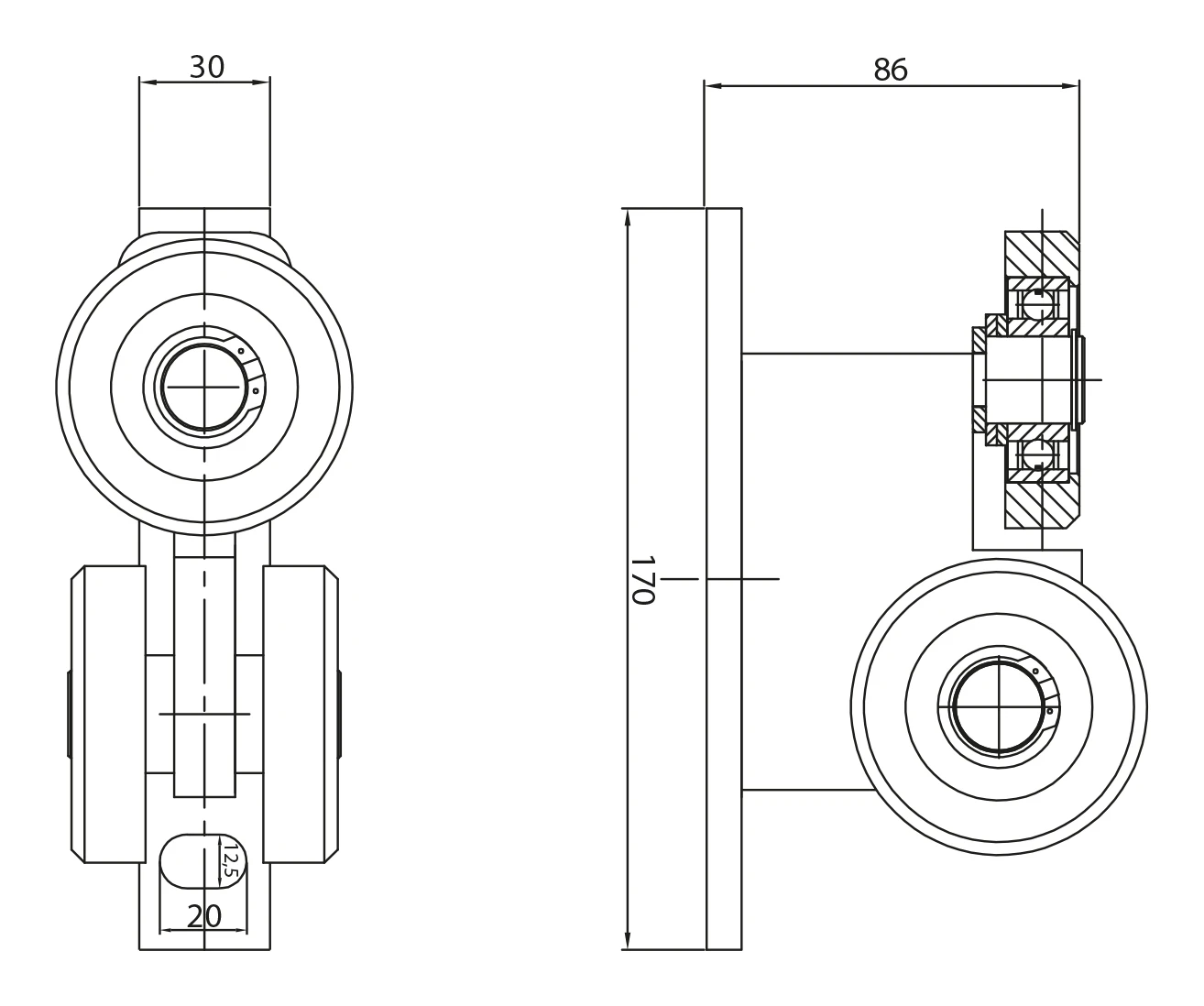
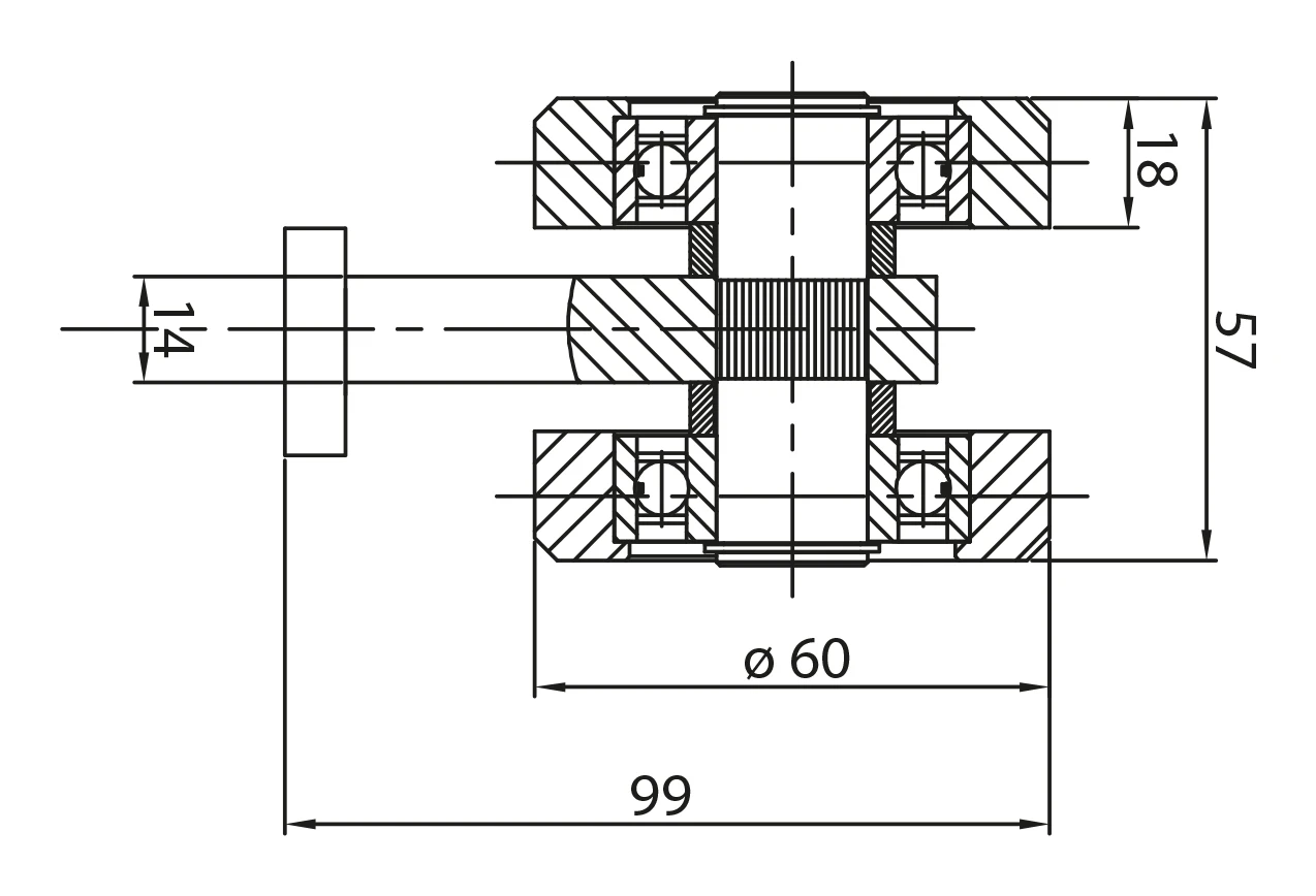
Dimensiones y parámetros técnicos
- Sistema de raíles: 70×70 mm
- Altura de la placa de montaje (L): 170 mm
- Vuelo desde la placa hasta el punto extremo del rodillo superior: 86 mm
- Altura total (H): 99 mm
- Anchura del soporte del rodillo superior: 30 mm
- Orificio ovalado en la base: 20 × 12,5 mm
- Diámetro de los rodillos inferiores (de carga): ø 60 mm
- Anchura del conjunto de dos rodillos inferiores: 57 mm
- Anchura de un rodillo inferior individual: 18 mm
- Grosor de la placa de montaje: 14 mm
- Peso: 1,88 kg
- Rodillos: 2 de acero + 1 de plástico
- Rodamientos: de bolas
- Protección anticorrosión: galvanizado
- EAN: 5901289670036

Ventajas para el instalador
- Base estrecha de montaje con orificios ovalados que permite un ajuste preciso y una fijación segura
- Superficie galvanizada que elimina la necesidad de protección anticorrosión adicional — listo para instalar de inmediato
- Funcionamiento silencioso gracias a la combinación de rodillos de acero con el rodillo de plástico — menos reclamaciones por parte de los usuarios finales
- Rodamientos de bolas que garantizan baja resistencia al rodamiento y larga vida útil sin mantenimiento frecuente
- Aplicación universal — en interiores y exteriores, en naves industriales, almacenes y edificios de uso agrícola
Ładowanie tabeli porównawczej...
Ładowanie galerii...
Datos técnicos
| Tipo de producto | Carro individual |
| Material de los rodillos | Acero |
| Número de ruedas [szt.] | 3 |
| Construcción del carro | Fijo |
| Tamaño del carril | 70x70x4 |
| Tipo de sistema de rodadura | Sistema suspendido |
Seguridad
Todas las opiniones (positivas y negativas) se muestran, de acuerdo con la limitación de número de la plataforma. Verificamos que provienen de clientes que han comprado el producto. Más información en nuestra página políticas de comentarios.